 
 钣金加工的主要材料有板材、管材、型材这几种,在实际生产中,国标对宝珠尺寸进行了规定,在画图时准守这些规定,可有效规范生产工序工艺。
     
(1)公差的允许尺寸变化称为尺寸公差。它是通过从上限大小和下限大小中减去标称大小(分别称为上限偏差和下限偏差,统称为极限偏差)而获得的代数差。国家标准规定:孔的上,下限偏差代号分别用ES和EI表示。轴的上下偏差代码分别用es和ei表示,如图1-67所示。
公差标准中列出的用于确定公差带大小的任何公差都称为标准公差。标准公差由公称尺寸和公差等级确定。公差等级用于确定尺寸精度等级。国家规定了IT01,IT0,IT1〜IT18 20个等级。 IT代表标准公差,数字代表公差等级。 IT01的精度最高,其次则逐渐减少,而IT18的精度最低。 IT01〜IT11用于匹配尺寸,IT12〜IT18用于匹配尺寸。在保证产品质量的前提下,应采用较低的公差等级。标准公差的值与两个因素有关:标准公差水平和基本尺寸分割。确定尺寸精度的水平称为标准公差水平。该标准规定,对于具有相同公差水平的所有基本尺寸的一组公差,应被认为具有相同的精确度。
用于确定公差带相对于零线位置的上限偏差或下限偏差。通常,它是指零线附近的极限偏差。当公差带在零线以上时,基本偏差为下限偏差;基本偏差为下限偏差。否则为上限偏差。
     
钣金件孔和轴的基本偏差为28个,代码用拉丁字母表示,孔的基本偏差代码为大写,轴的基本偏差为小写,如图1-68所示。
基本偏差序列图仅显示公差带的位置,而不显示公差带的大小。因此,孔和轴的公差带代码应由两部分组成:极限偏差代码和公差等级代码。
     
     
(2)具有相同公称尺寸并相互组合的孔和轴公差带之间的关系称为配合。根据使用要求,孔和轴之间的配合可以是松动的或紧密的。根据国家标准,配合根据紧密度分为三类,即间隙配合,过盈配合和过渡配合,如图1-69和图1-70所示。
     
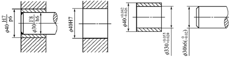
(3)公差与配合的标注图1-71所示为箱体钣金件上孔、轴套、轴配合的局部结构图。
1)装配图上的标签。在装配图上标记公差和配合,并使用组合符号方法,即:基本尺寸孔的公差代码/轴的公差区域代码。
2)钣金件图上的标签。可以在钣金件图上标记公差的三种方法:仅标记公差带代码,仅同时记录极限偏差值和公差带代码以及上下偏差值。
     
(4)标注尺寸的基本规则标注尺寸的基本规则见表1-19。
     
     
诚瑞丰公司专注钣金加工件的定制生产,一站式研发设计服务,大型厂家直供,欢迎联系合作。